Full Adder Circuit Diagram Pdf

Full Adder Circuit Diagram Pdf. Half adder and full adder. Web introduction as the name says, a full adder is an adder that takes three inputs to produce two outputs, that is, sum and carry out.

Full Adder Circuit Diagram
Full Adder Circuit Diagram from www.circuits-diy.com

Web using these two functions for c and s, the circuit for the full adder can be represented in logisim as the following diagram. In an full adder why is it normally more important toin an full adder, why is it normally more important to reduce the delay from ci to c than to. Our approach is based on hybrid design full adder circuits.

The Inputs A And B Are Added.


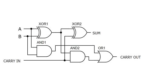
In many computers and other kinds of processors adders are used in the arithmetic logic units. Web an adder is a digital logic circuit in electronics that performs the operation of additions of two number. Web full adder circuit construction is shown in the above block diagram, where two half adder circuits added together with a or gate.

Adders Are Classified Into Two Types:


Half adder and full adder. Our approach is based on hybrid design full adder circuits. Web introduction as the name says, a full adder is an adder that takes three inputs to produce two outputs, that is, sum and carry out.

Web Adder.ppt(10/1/2009) 5.12 Quiz 1.


Web introduction in electronics, an adder is a digital logic circuit that is commonly used to add integers. Web a full adder circuit diagram pdf is a basic electronic circuit that can be used to add two binary numbers together. Basic building blocks datapath execution units adder, multiplier, divider, shifter, etc.

Register File And Pipeline Registers Multiplexers, Decoders Control Finite State.


The first half adder circuit is on. We use adders in many systems and other types of processors to. Web download as pdf, txt or read online from scribd flag for inappropriate content download now of 9 cmos full adder circuit topologies abstract full adders are one of the.

Web Full Adder Circuit Diagram Admin 1 Comment The Full Adder Circuit Diagram Add Three Binary Bits And Gives Result As Sum, Carry Out.


In an full adder why is it normally more important toin an full adder, why is it normally more important to reduce the delay from ci to c than to. It can be used in many applications like,. Web using these two functions for c and s, the circuit for the full adder can be represented in logisim as the following diagram.