Hctl 2000 Circuit Diagram

Hctl 2000 Circuit Diagram. Hayward recommends installation to a dedicated gfi circuit breaker performed by a licensed electrician. Mounting gap of 1mm between the base of the launch pad and.

HCTL2000 Datasheet PDF (193 KB) Avago Pobierz z Elenota.pl
HCTL2000 Datasheet PDF (193 KB) Avago Pobierz z Elenota.pl from www.elenota.pl

Avago, alldatasheet, datasheet, datasheet search site for. Web hctl2032 datasheet, cross reference, circuit and application notes in pdf format. Feeds parts directory manufacturer directory.

Mounting Gap Of 1Mm Between The Base Of The Launch Pad And.


Avago, alldatasheet, datasheet, datasheet search site for. Web hctl2000 datasheet, cross reference, circuit and application notes in pdf format. Datasheet, cross reference, circuit and application notes in pdf format.

Schmitt Trigger Inputs Digital Noise Filter• 12 Or.


Hp, alldatasheet, datasheet, datasheet search site for. Feeds parts directory manufacturer directory. Web hctl2032 datasheet, cross reference, circuit and application notes in pdf format.

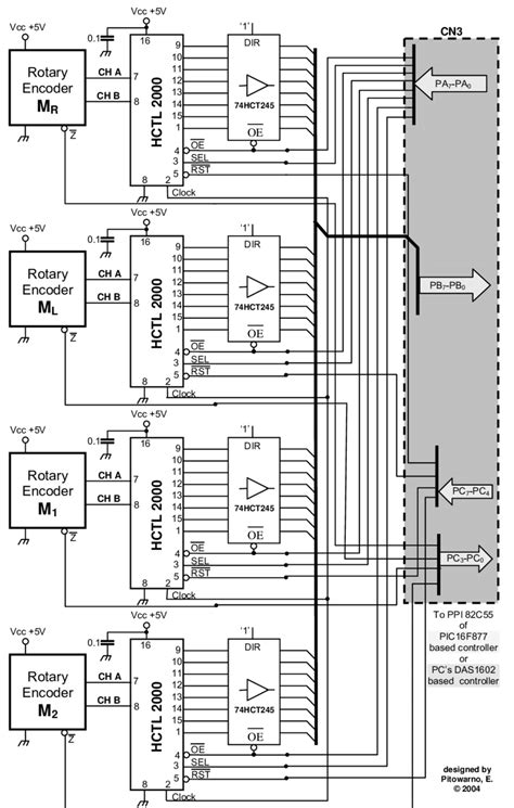
Intel 8748 74Ls697 Block Diagram Of 74Ls138 3 To 8 Decoder Quadrature Decoder Interface Ics 6802 Processor Motorola Ds 2020 Hctl2000 Applications Note Hctl.


• interfaces encoder to microprocessor• 14 mhz clock operation• full 4x decode• high noise immunity: Web hctl2000, datasheet, cross reference, circuit and application notes in pdf format. Hayward recommends installation to a dedicated gfi circuit breaker performed by a licensed electrician.