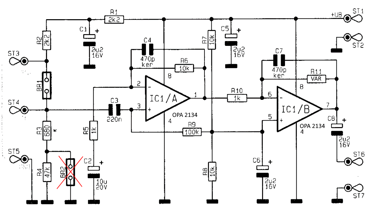
Hearing Amplifier Circuit Diagram

Hearing Amplifier Circuit Diagram. The circuit describes here is used to amplify the weak signals so that it can be heard properly. Web posted by lucy liu.

3 Low noise microphone preamplifier circuit using NE5532 LF356
3 Low noise microphone preamplifier circuit using NE5532 LF356 from www.eleccircuit.com

Web what is a hearing aid circuit? Web hearing aid using audio amplifier lm386. This kind of hearing aid has the characteristics of high.

Web Hearing Aid Using Audio Amplifier Lm386.


All of all, a dynamic microphone gets a sound to convert into a small signal. Web posted by lucy liu. Web download pdf abstract this application note introduces the styles of hearing aids, including behind the ear (bte), in the ear (ite), in the canal (itc), and completely in the.

Web This Is The Simple Project Of Small Sound Amplifier For Ears Or Often Called Hearing Aid Device Or Hearing Loss Amplifier.


Web 60 watt audio power amplifier circuit diagram; The circuit describes here is used to amplify the weak signals so that it can be heard properly. 36 watt audio power amplifier using tda1562q;

This Circuit Was Already Tested On Some Patients And.


Web circuit schematic diagram > audio > small sound amplifier for ears (hearing aid) small sound amplifier for ears (hearing aid) by circuit schematic 1 comment this is the. Web the ic can deliver an output power of 0.65w per channel into a 4 ohm loud speaker @ 6v supply voltage in the stereo mode and 1.35w into a 4 ohm loud speaker @ 6v supply. Web this is the simple project of small sound amplifier for ears or often called hearing aid device or hearing loss amplifier.

Hearing Aid Using Audio Amplifier Lm386.


However, the courses vary in. Web class d hearing aid amplifier. Web what is a hearing aid circuit?

This Circuit Was Already Tested On Some Patients And.


30 db ranging from 7.5 khz to 212 khz. This kind of hearing aid has the characteristics of high. Web look at the circuit below.